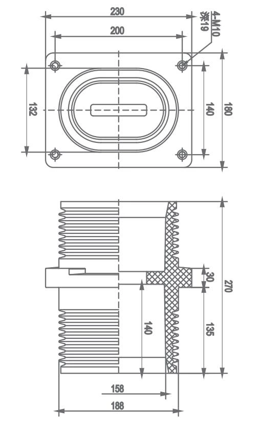
Bushing TGN1-10Q/270
BUSHING
| Selection | Drawing No. | Mounting Distance |
| TGN1-10Q/195 | 5RA12.015.006 | 210 |
| TGN1-10Q/190 | 5RA12.015.010 | 210 |
| TGN1-10Q/270 | 5RA12.015.055 | 210 |
| Technical Parameter | Value | Unit |
| PF | 42 | kV/1min |
| PD | 1.1Ur≤3 | pC |
| Flame Retardant Rating | V1 V0 Special Requirements | UL94 |
| Tg | 105±5 | ℃ |
| Lightning Impulse | 75 | kV |
| Creepage Distance | 20 | mm/kV |
| Rated Current | ≤3150 | A |
| Color | Red |
Epoxy Resin APG
| Raw Material Parameter | Value | Unit |
| Hydroscopicity | ≤0.2 | % |
| Dielectric Loss | 0.01 | |
| Insulation Resistance | 1.0*10¹⁴ | Ω |
| Disruptive Strength | ≥18 | kV/mm |
| Arc Resistance | 182 | S |
| Impact Strength | ≥7 | kj/m² |
| Bending Strength | ≥110 | N/mm² |
