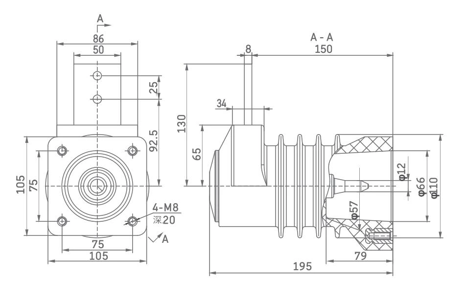
Shielded Contact Box CHN24-105


Мы стремимся к совершенству и превосходим ожидания.
Мы используем файлы cookie для сбора информации о том, как вы пользуетесь этим сайтом. Мы используем эту информацию, чтобы обеспечить максимально эффективную работу веб-сайта и улучшить наши услуги.подробнее